komodoj Posted September 22, 2022 Report Share Posted September 22, 2022 Anyone know what to use to drift threw the barrel to keep it stayed In the bushing on a MKII barrel. The parts manual diagram says its 2.4mm, which is like .095 us. What do you guys use for that pin? Thank you all In advance. 3/32 is like .9375? Link to comment Share on other sites More sharing options...
BillyDixon Posted September 22, 2022 Report Share Posted September 22, 2022 what parts manual you refering to ? the sten was made to all english dimentions, not metric,,ill try a gage pin on an original barrel and see, i beleve the original guns used a cotter pin,,just sayn Link to comment Share on other sites More sharing options...
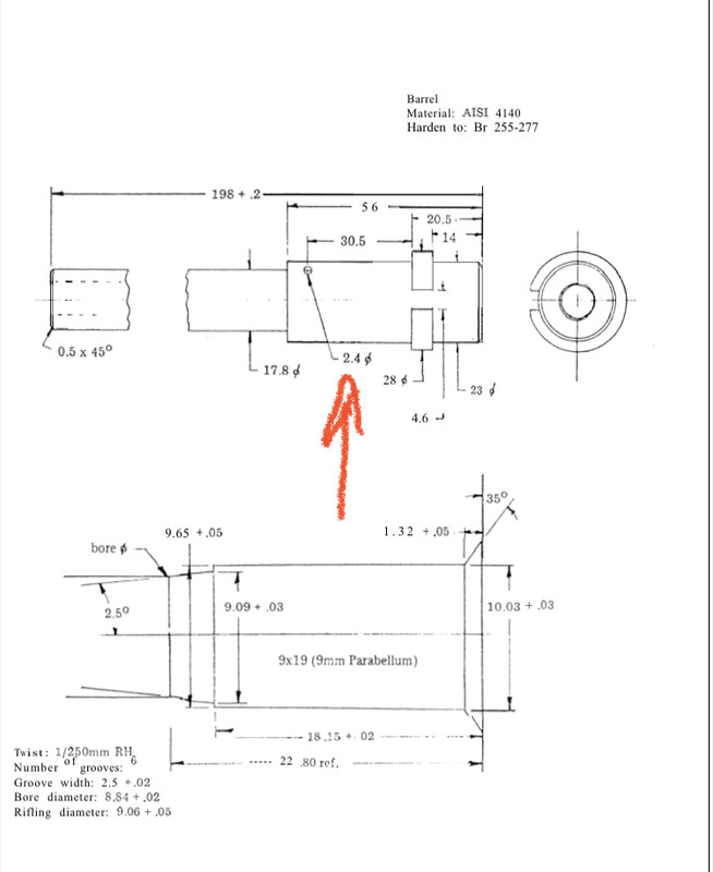
komodoj Posted September 22, 2022 Author Report Share Posted September 22, 2022 This drawing. https://i.postimg.cc/Zn79yZQq/37170-FD8-B4-C4-4-F9-A-A9-BD-98-B61391-F7-F4.jpg Link to comment Share on other sites More sharing options...
komodoj Posted September 23, 2022 Author Report Share Posted September 23, 2022 what parts manual you refering to ? the sten was made to all english dimentions, not metric,,ill try a gage pin on an original barrel and see, i beleve the original guns used a cotter pin,,just sayn I tried a 3/32 cotter pin. Its lightly snug but pulls out? Should it be that loose? Link to comment Share on other sites More sharing options...
BillyDixon Posted September 23, 2022 Report Share Posted September 23, 2022 the print you posted is something wery after market,, it shows the alignment notch tha was only used on the mk 5, i tried a .0935 gage and it pushed thru ok, yes a standard 3-32 cotter oin should be fine, these are sten guns made under wartime conditions,,so dims got sloppy and as tooling wore out thier was hand fitting, just get the things out the door,, still fun guns, just sayn Link to comment Share on other sites More sharing options...
komodoj Posted September 23, 2022 Author Report Share Posted September 23, 2022 the print you posted is something wery after market,, it shows the alignment notch tha was only used on the mk 5, i tried a .0935 gage and it pushed thru ok, yes a standard 3-32 cotter oin should be fine, these are sten guns made under wartime conditions,,so dims got sloppy and as tooling wore out thier was hand fitting, just get the things out the door,, still fun guns, just sayn Mine was loose at .0935. My diameter was .0945. So I found a piece of .100 round bar and turned it down by chucking it up in a drill and spun it against some 80grt sandpaper to .0950 by 3/4 in length and pounded it in there. Lightly filed each side and applied some cold blue. That should hold? Came out pretty good. Link to comment Share on other sites More sharing options...
Recommended Posts
Create an account or sign in to comment
You need to be a member in order to leave a comment
Create an account
Sign up for a new account in our community. It's easy!
Register a new accountSign in
Already have an account? Sign in here.
Sign In Now